ПН - ПТ
СБ
ВС
09:00 - 18:00
09:00 - 17:00
выходной

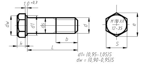
Болты высокопрочные цилиндрические с шестигранной головкой по ГОСТ Р 52644-09
Марка стали: 40X Селект
Класс прочности: не менее 110 кг/мм2
Конструктивное исполнение тела болта -1, головки -3.

|
d |
Шаг резьбы |
к |
b |
S |
e, не менее |
L |
|||
|
22 |
2,5 |
15 |
50 |
36 |
39,6 |
60-150 |
|||
|
24 |
3,0 |
17 |
50*/54 |
41 |
45,2 |
60-150 |
|||
|
27 |
3,0 |
19 |
60 |
46 |
50,9 |
70-150 |
|||
* - для болтов с L = 60 мм.
|
L, мм/ d, мм |
М22 |
М24 |
М27 |
||||||
|
60 |
282 |
367 |
- |
||||||
|
65 |
297 |
386 |
- |
||||||
|
70 |
312 |
404 |
538 |
||||||
|
75 |
326 |
421 |
560 |
||||||
|
80 |
341 |
438 |
582 |
||||||
|
85 |
355 |
456 |
604 |
||||||
|
90 |
370 |
473 |
627 |
||||||
|
95 |
384 |
491 |
649 |
||||||
|
100 |
399 |
508 |
671 |
||||||
|
105 |
414 |
525 |
693 |
||||||
|
110 |
428 |
543 |
715 |
||||||
|
115 |
443 |
560 |
737 |
||||||
|
120 |
457 |
578 |
759 |
||||||
|
125 |
472 |
595 |
781 |
||||||
|
130 |
487 |
612 |
803 |
||||||
|
140 |
516 |
646 |
847 |
||||||
|
150 |
545 |
682 |
891 |
||||||